Канализационные насосные станции
Каталог насосные станции RU
Канализационные насосные станции Kessel для установки внутри помещения
Часто случается, что сточные фекальные или бесфекальные воды не могут свободно сбрасываться в канализацию, потому что канализация расположена выше арматуры водоотвода в здании. В этом случае необходимо использовать подъемную станцию или насос. Подъемные станции перекачивают сточные воды через напорный трубопровод в канализацию. Для защиты от возможного обратного подпора, напорный трубопровод должен протягиваться в виде петли над уровнем обратного подпора.
Как выбрать канализационную насосную установку?
Фекальные или бесфекальные сточные воды
Фекальные сточные воды - если речь идет об отводе сточных вод от туалетов или писсуаров необходимо использовать подъемную станцию для фекальных сточных вод. Подъемные станции серии Aqualift F для фекальных сточных вод доступны для установки внутри или снаружи зданий. Все подъемные станции серии Aqualift S доступны с одними или двумя насосами
| Подъёмные станции для «чёрных» сточных вод EN 12050-1 |
Подъёмные станции для «серых» сточных вод EN 12050-2 |
| О фекальных сточных водах говорят в том случае, если в канализацию по трубам сбрасываются стоки от таких источников, как писсуары и унитазы. Такие сточные воды называются «чёрными». Mаксимальный размер включений: 40 мм |
Сточные воды без фекалий – это хозяйственные стоки от таких источников, как, например, душ или стиральная машина. Такие сточные воды называются «серыми». Mаксимальный размер включений: 10 мм |
Безфекальными водами являются бытовые сточные воды от стиральных машинок, душевых и ванн. Для этого типа сточных вод предназначены подъемные станции Aqualift S и Minilift.
Тип насоса, полезный объем, взрывобезопасность канализационных насосных станций
Расчет мощности насоса должен осуществятся исходя от общего притока и общей высоты подъема. Насос должен быть способен поднять определенный объем сточных вод на желаемую высоту. Для сохранения потребления энергии в разумных пределах следует избегать применения насоса с более существенной мощностью чем необходимо. Скорость потока в напорном трубопроводе не должна снижаться ниже чем 0.7 м/с, так как в противном случае образуются отложения на внутренней стороне напорного трубопровода и приведет в конечном счете к запору. Довольно часто напорный трубопровод не прокладывается в виде петли над уровнем обратного подпора (уровень земли). Хотя напорный трубопровод протягивается вверх, однако только до уровня потолка подвала. Если потолок подвала расположен ниже уровня земли возникает опасность обратного течения жидкости из канализации через напорный трубопровод установленный на подъемной станции
Надежная эксплуатация зависит от правильного выбора канализационной насосной станции с соответствующими насосами и технически-правильной установки системы. KESSEL предлагает три типа насосов: свободно-вихревые насосы, насосы с измельчителем и насосы, оснащенные одноканальным рабочим колесом. Каждый из этих насосов имеет свои особые свойства.
Свободно-вихревые насосы характеризуются большим открытым пространством в корпусе насоса. В результате, твердые и длинноволокнистые вещества высокой консистенции, такие как бинты, ткани и другие могут с легкостью проходить через корпус насоса. Для достижения эффективной производительности насоса часто необходима большая затрата энергии.
Насосы с измельчителем особенно подходят для длинных волокон и измельчаемых твердых частиц, даже более большого масштаба. Это позволяет надежный транспорт сточных вод через напорные трубопроводы с маленьким диаметром, даже на больших расстояниях (водоотвод под давлением).
![]() |
![]() |
![]() |
| Насосы-измельчители | Свободно-вихревые насосы | Насосы, оснащённые одноканальным рабочим колесом |
| специально разработаны для перекачки неочищенных сточных вод Эти системы измельчают твёрдые включения, содержащиеся в сточных водах, что позволяет осуществлять отвод через напорные трубопроводы малого диаметра. | предназначены для перекачки как для очищенных, так и для неочищенных сточных вод. Широкая проточная полость в корпусе насоса позволяет любым твердым включениям свободно проникать в напорную трубу соответствующего диаметра без контакта с рабочим колесом. | специально разработаны для сточных вод без твердых частиц или с частицами малого размера. За счёт своей конструкции рабочее колесо эффективно перемещает большие объёмы сточных вод при минимальном энергопотреблении. |
Полезный объем: Еще одним важным пунктом является эффективный объем подъемной станции. Требуемый эффективный объем системы должен быть больше чем содержимое в напорном трубопроводе. Таким образом происходит обмен сточной воды в напорном трубопроводе при каждом процессе откачки и не приводит к постоянному включению и выключению насоса в случае отсутствия герметичности обратного клапана. Взрывобезопасность: Сточные воды содержат часто вещества, которые могут образовать взрывоопасную смесь. В местах с потенциальной возможностью образования взрывоопасных смесей необходимо предусмотреть подъемные станции в взрывобезопасном исполнении (АТЕХ).
Технические характеристики насосных приводов для канализационных установок
| Характериситики | Привод насоса SPF 1500 | Привод насоса SPF 3000 | Привод насоса SPF 4500 | Привод насоса SPF 5500 |
| Вес | 24 кг | 24 кг | 26 кг | 38 кг |
| Напряжение | 400 В | 400 В | 400 В | 400 В |
| Частота | 50 Гц | 50 Гц | 50 Гц | 50 Гц |
| Потребляемая мощность P1 | 1,4 кВт | 3,2 кВт | 4,5 кВт | 5,7 кВт |
| Номинальная мощность P1 | 1,1 кВт | 2,7 кВт | 3,7 кВт | 4,7 кВт |
| Номинальный ток | 2,7 A | 5,4 A | 7,5 A | 9,1 A |
| Частота вращения | 1700 об/мин | 3400 об/мин | 3400 об/мин | 3400 об/мин |
| Режим работы | S1 – 100 % / S3 – 50 % | S1 – 100 % / S3 – 50 % | S1 – 100 % / S3 – 50 % | S3 – 30% |
| Степень защиты | I (защитное заземление) | I (защитное заземление) | I (защитное заземление) | I (защитное заземление) |
| Вид защиты | IP68 (5 м вод.ст./ 72 ч) | IP68 (5 м вод.ст./ 72 ч) | IP68 (5 м вод.ст./ 72 ч) | IP68 (5 м вод.ст./ 72 ч) |
| Тип кабеля | H07RN-F7G1,5 | H07RN-F7G1,5 | H07RN-F7G1,5 | H07RN-F7G1,5 |
| Длина кабеля | 5 м | 5 м | 5 м | 5 м |
| Температура среды | 40°C | 40°C | 40°C | 40°C |
| Макс. высота подачи (напор) | 8 м | 16 м | 20 м | 27 м |
| Макс. пропускная способность | 40 м³/ч | 47 м³/ч | 55 м³/ч | 60 м³/ч |
| Тип рабочего колеса | Многолопастное рабочее колесо | Многолопастное рабочее колесо | Многолопастное рабочее колесо | Многолопастное рабочее колесо |
| Материал рабочего колеса | Чугун (GG20) | Чугун (GG20) | Чугун (GG20) | Чугун (GG20) |
| Материал корпуса | Чугун и алюминий | Чугун и алюминий | Чугун и алюминий | Чугун и алюминий |
| Уплотнение вала | 2 уплотнения для вращающегося вала | Торцовое уплотнение SiC/SiC | Торцовое уплотнение SiC/SiC | Торцовое уплотнение SiC/SiC |
| Класс изоляции | F (155°C) | F (155°C) | F (155°C) | F (155°C) |
| Тепловая защита двигателя | Да | Да | Да | Да |
| Пусковая частота | 20 пусков/час | 20 пусков/час | 20 пусков/час | 20 пусков/час |
| График производительности насосов | ![]() |
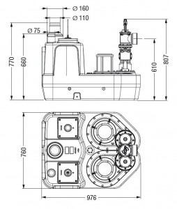
Чертежи габаритных размеров емкостей баков насосных установок
![]() |
![]() |
![]() |
![]() |
| Чертеж бака насосной установки объемом 120 л | Чертеж бака насосной установки объемом 200 л | Чертеж бака насосной установки объемом 300 л | Чертеж бака насосной установки объемом 450 л |
Варианты установки КНС
На открытом трубопроводе - Свободно стоящие подъемные станции могут быть установлены быстро и без больших усилий. Они могут быть использованы в частных как и в промышленных или коммерческих зданиях. При этом небольшие системы устанавливаются непосредственно в нормальном подвале, более крупные систем устанавливаются обычно специально предназначенных технических помещениях.
Установка в фундаментной плите - Удобное, практичное и с привлекательным видом решение для новостроек, создает дополнительную площадь благодаря размещению в фундаментную плиту. Высокие цены земляных участков часто заставляют клиентов, строящих дом на небольшом участке, использовать по максимуму пространство и садовая этим дополнительную площадь размещения в полуподвальных или подвальных помещениях. К тому же, туалеты, душевые или подсобные помещения часто находятся в подвале
Подземная установка - До сих пор, подъемные станции в основном устанавливались внутри здания. Однако, в тоже время существовали альтернативные варианты установки. Для этого устанавливается инспекционный колодец со встроенной подъемной станцией перед зданием. Таким образом, насосы и насосные установки для подъема сточных вод, которые до сих пор занимали место в подвальном помещении, теперь можно установить в колодце. Вне здании они работают бесшумно, надежно и удобны в техническом обслуживании.

Монтаж канализационных насосных установок на примере Kessel Aqualift
![]() |
Датчики уровня, зонды и датчики аварийной сигнализации
Датчики уровня и зонды измеряют уровень перекачиваемой жидкости в резервуаре подъемной станции и инициируют при определенном уровне процесс откачки одного или нескольких насосов. Если уровень жидкости в резервуаре продолжает расти,
аварийный датчик (который также измеряет уровень перекачиваемой жидкости) передает аварийных сигнал.
Датчик давления - замкнутый объем воздуха расположенный в датчике давления сжимается при повышение уровня жидкости в резервуаре подъемной станции. В результате разница в давлении воздуха определяется в блоке управления и таким образом регулирует запуск и остановку насосного действия подъемной станции. Пневматическое измерения уровня является простым и недорогим методом измерения уровня жидкости, однако имеет недостатки при нерегулярной эксплуатации системы, при высоком уровне жирна в сточных водах, при очень длинном напорном трубопроводе или если конденсата в напорном трубопроводе мешает определению уровня.
Зонд проводимости - зонды проводимости использует напряжение переменного тока и проверяет находится ли электропроводящая жидкость между двумя точками измерения. Если да, то блок управления инициирует процесс откачки. Зонд проводимости является таким образом простым и недорогим видом измерения уровня. Она работает только в токопроводящих жидкостях и не может быть использована для откачки дождевой воды и конденсата.
Поплавковый переключатель - поплавковые переключатели являются устройствами переключения и приводятся в действие с поверхности жидкости. Поднимается уровень жидкости внутри накопительной емкости, срабатывает блок управления с помощью изменения наклона поплавка и активирует насос подъемной станции. Поплавковые переключатели являются простым и испытанным видом измерения уровня и могут быть использованы даже при большой длине кабеля. Недостатки они имеют в сильно
загрязненных сточных водах, так как материал откладывающийся на поплавке может повлиять на измерение уровня
Датчик уровня - в этом методе для измерения гидростатическим давлением, давление жидкости измеряется с помощью полупроводникового датчика, последовательно электроника создает из этого аналоговый сигнал. При достижении определенного фиксированного уровня жидкости активируются насосы. Датчиком уровня может быть использован для измерения различных уровней. Поэтому существует возможность измерения уровня активации насоса и уровня аварийной сигнализации одним датчиком. Однако стоимость датчика уровня выше по сравнению с другими датчиками.
Оптический зонд - в дополнение к выше описанным датчикам, оптический зонд может быть использован в качестве датчика аварийной сигнализации. Из-за смачивания поверхности датчика меняется угол преломления инфракрасного сигнала, в результате чего обнаруживается достижения уровня аварийного сигнала. Оптический зонд является идеальным в качестве датчика для аварийной сигнализации, так как датчик работает надежно даже после длительного неиспользования. Тем не менее, ложная передача сигнала возможна при теплых сточных водах (капли конденсата) или при высоком уровне пены.
Примеры внедрения подъёмных станций на промышленных объектах, в ТЦ, жилых комплексах
вы можете ознакомиться в разделе Реализованные проекты
СНиП
СП 30.13330.2020 («СНиП 2.04.01-85* Внутренний водопровод и канализация зданий») — свод правил, который устанавливает требования к проектированию внутренних систем водоснабжения и водоотведения в зданиях.
BIM модели и чертежи CAD ( .dwg)
вы можете найти в карточках товаров в разделе документация или сделать запрос
Критерии выбора насосных установок (на примере моделей Aqualift и Minilift)
Выбор насосной установки зависит от типа сточных вод (фекальные или бесфекальные), условий монтажа и технических параметров (мощность, высота подъёма, диаметр трубы). Разберём ключевые критерии с учётом данных из таблицы.
1. Тип сточных вод
Для фекальных сточных вод подойдут модели:
-
Aqualift F Compact — компактная установка для внутренней/внешней установки.
-
Aqualift F, XL, XXL — для более мощных систем с увеличенной высотой подъёма и диаметром напорной трубы.
-
Aqualift F Ø 600, 800/1000, 1000 — для крупных объектов с высокой производительностью.
-
AP 501 — промежуточный вариант с умеренной мощностью и высотой подъёма.
Для бесфекальных сточных вод подойдут:
-
Minilift — базовая модель с низкой мощностью (300 Вт) и небольшой высотой подъёма (5 м).
-
Aqualift S, S Ø 600, S Ø 1000 — более мощные варианты (500–1000 Вт), подходят для средних систем.
2. Внутренняя или внешняя установка
-
Внутренняя установка (например, Aqualift F Compact, Minilift) — монтируется внутри помещения, подходит для ограниченного пространства.
-
Внешняя установка (например, некоторые модели Aqualift F) — размещается снаружи, удобна для крупных объектов и промышленного применения.
3. Входящая мощность
Подбирайте мощность в зависимости от объёма и интенсивности перекачки:
-
300–500 Вт — для небольших систем (частные дома, малые объекты).
-
1–1.4 кВт — для средних систем (небольшие коммерческие объекты).
-
1.4–5 кВт и выше — для крупных объектов (промышленные предприятия, многоквартирные дома).
4. Максимальная высота подъёма
Высота подъёма определяет, на какую высоту установка может перекачивать сточные воды:
-
5–9 м — для небольших систем с коротким трубопроводом (Minilift, Aqualift F Compact).
-
16–27 м — для средних и крупных систем (Aqualift F, XL).
-
до 28 м — для самых мощных установок (AP 501).
5. Диаметр напорной трубы
Диаметр трубы влияет на пропускную способность системы:
-
40 мм — для небольших систем с низким объёмом перекачки (Minilift, Aqualift F Compact).
-
110 мм — для средних и крупных систем (Aqualift F XL, XXL).
-
63/90 мм — промежуточный вариант (AP 501).
6. Тип насоса
-
Измельчитель — подходит для фекальных сточных вод с крупными включениями (Aqualift F Compact, Aqualift F Ø 600).
-
Импеллер — для бесфекальных или слабозагрязнённых сточных вод (большинство моделей Aqualift F, S).
7. Условия эксплуатации
-
Для непромерзающих помещений — подойдут все модели, но важно учитывать мощность и высоту подъёма.
-
Для уличных установок — выбирайте модели с защитой от влаги и низких температур (уточняйте класс защиты IP).
8. Дополнительные факторы
-
Объём накопительной ёмкости — для крупных объектов выбирайте установки с большим объёмом бака (например, Aqualift F XL с ёмкостью 450 л).
-
Количество насосов — моно- или дуо-системы (Aqualift F Duo) для повышения надёжности.
-
Блок управления — модели с блоком Comfort и системой самодиагностики SDS (Aqualift F) обеспечивают более надёжную работу.
Рекомендации по выбору
-
Для частного дома — Minilift или Aqualift S (300–500 Вт, высота подъёма 5–7 м).
-
Для небольшого коммерческого объекта — Aqualift F Compact или Aqualift F (1–1.4 кВт, высота подъёма 9–16 м).
-
Для крупного объекта (ресторан, гостиница) — Aqualift F XL или AP 501 (мощность 1.4–5 кВт, высота подъёма 20–28 м).
-
Для промышленных предприятий — Aqualift F XXL или модели с двумя насосами (для надёжности и высокой производительности).
Продукция разработана и изготовлена с соблюдением требований СП 32.13330.2018
Итог: перед выбором установки определите тип сточных вод, условия монтажа, требуемую мощность, высоту подъёма и диаметр трубы. Учитывайте дополнительные функции (измельчитель, блок управления) и особенности эксплуатации (помещение/улица). Это обеспечит надёжную и эффективную работу системы.









